The TX 4000C CompactPCI board provides eight T1 or E1 digital trunk interfaces. The TX 4000C design is based on an intelligent communication processor (CP) that plugs into a single CompactPCI bus slot. The CP operates with the CompactPCI bus host processor to form a distributed communications application platform.
Depending on the chassis type, Ethernet connectivity is provided over a PICMG 2.16 Ethernet bus or by up to two external Ethernet 10/100Base-T interfaces.
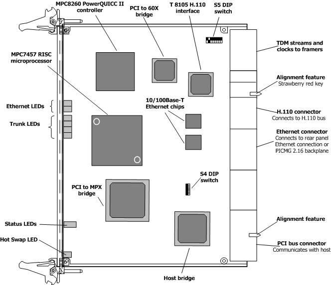
The CP features one high-performance Motorola MPC7457 RISC microprocessor and one MPC8260 PowerQUICC II controller. NaturalAccess Signaling Software provides programming capabilities for the TX 4000C board CP.
The following illustration shows the location of the main components on a TX 4000C board:

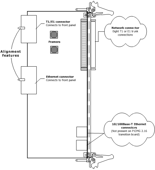
The following illustration shows the location of the main components on the rear I/O transition board. The transition board is attached to the TX 4000C board and enables the board to support the T1, E1, and Ethernet functionality.

The TX 4000C board provides:
CompactPCI bus connectivity.
Each board is designed to reside in a single PCI bus slot. Each board contains a universal (5.0 V or 3.3 V signaling) PCI bus interface that is compliant with the CompactPCI Specification PICMG 2.0 R3.0. The CompactPCI interface is a 33/66 MHz, 32-bit master/target device.
H.110 bus connectivity.
The TX 4000C board supports the H.110 bus specification. The H.110 bus enables boards to share data and signaling information with other boards on the H.110 bus. For example, you can connect two or more TX 4000C boards for applications that perform trunk-to-trunk switching. In addition, you can use H.110 compatible products from other manufacturers with the TX 4000C board.
The H.110 interface supports a full mode stream configuration on the H.110 bus with 32 streams at 8 MHz each. Each stream provides 128 timeslots for a total of 4096 timeslots.
Telephony bus switching
Switching for the TX 4000C board offers support for the H.110 bus within the H.110 architecture. On the TX 4000C board, switch connections are allowed for a total of 512 half duplex or 256 full duplex connections between local devices and the H.110 bus. Switch connections between local devices are non-blocking.
Ethernet connectivity
The TX 4000C board contains up to two external Ethernet 10/100Base-T connections through a rear I/O transition board. These connectors provide Fast Ethernet connectivity and IPv4 support. Ethernet connectivity provides the TX 4000C board with a connection to a redundant mate TX board or to a network of other SIGTRAN devices. If you are using a PICMG 2.16 compliant chassis, a midplane Ethernet bus provides Ethernet connectivity.
On-board memory
Each TX 4000C board includes 128 MB of SDRAM.
Trunk connectivity
The TX 4000C board includes eight T1 or E1 network interfaces for digital trunk connectivity. NaturalAccess Signaling Software enables you to configure the board as either a T1 or an E1 board.
Refer to www.dialogic.com/declarations for a list of countries where Dialogic has obtained approval for the TX 4000C board, and for product updates.