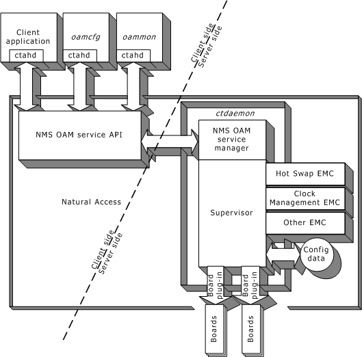
The following illustration shows the architecture of the NMS OAM service:

The client side and server side can reside in the same system, or in different systems linked by an IP network. The client side contains one or more client applications that communicate with NMS OAM through its API, using one or more contexts. An NMS OAM service instance is started on each context. Each instance communicates with the NMS OAM service manager component of the Natural Access Server (ctdaemon) on the server side.
The oamcfg, oammon, and oaminfo utilities are client applications. oamsys is not a client application, but it uses multiple calls to oamcfg to perform its functions. For information about these utilities, refer to the NMS OAM System User's Manual.
The server side contains the Natural Access Server (ctdaemon), which has the following components:
|
Component |
Description |
|---|---|
|
NMS OAM service manager |
Provides the glue logic between NMS OAM service instances and the Supervisor. |
|
NMS OAM Supervisor |
Manages the configuration database, board plug-ins and EMCs. |