The linemon utility records data flowing through a TDM bearer channel. Use linemon to prepare data for off-line analysis. To analyze the data, use h324Extract. For more information, refer to Overview of h324Extract.
Note: The bearer channel to be monitored must originate from the CG trunk interface, not from the H100/H110 bus.
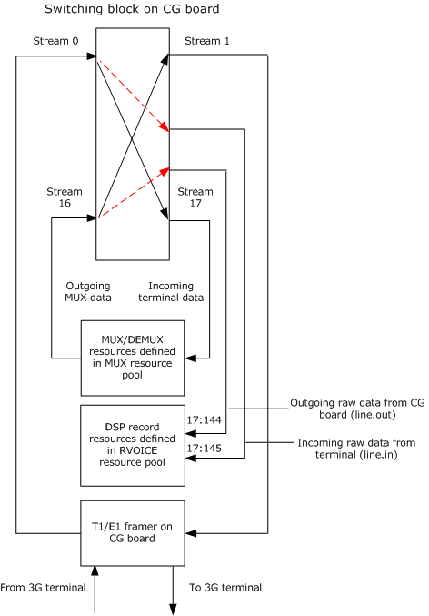
linemon requires a DSP pass-through recording resource on the CG board. It works as follows:
Switches the inbound TDM trunk-bearer channel to be recorded to a DSP pass-through recording resource.
Switches the outbound TDM bearer channel to be recorded to a second DSP pass-through recording resource.
Captures the raw 64 kbps data flowing in both directions of a 3G-324M call.
Stores the captured data on the hard drive of the host application in two files: filename.in and filename.out. By default, the filename prefix is line (as in line.in). You can change the default prefix when you run linemon, as described in linemon syntax.
linemon works simultaneously with the Video Access host application that drives the 3G-324M interface.
linemon monitors two timeslots:
A specific timeslot (receive direction) on a T1 or E1 trunk of the CG board, as specified by –l option.
A specific DSP MUX timeslot (transmit direction), as specified by the –n option.
If default switching is used on the CG board, and if the MUX DSP resource starts on DSP timeslot 0, then both timeslots are the same, and the –n option can be ignored.
The following illustration shows an example of switching performed by linemon to monitor a 3G-324M channel on the first E1 trunk of the CG board. The switching is shown with dotted lines.
