You are here: CSP Hardware Product Descriptions > 6 Resource Cards > DSP Series 2 Plus Card - See Model Numbers
DSP Series 2 Plus Card - See Model Numbers
The latest cards in the DSP Series 2 family are the DSP Series 2 Plus card and its associated Multi-Function Media I/O Plus card.
The DSP Series 2 Plus card can perform a single function or a combination of the following functions:
Conferencing
Echo Cancellation
File Playback/Record
Frequency Shift Keying (FSK)
Media Streaming over RTP
Positive Voice Detection/Answering Machine Detection
(PVD/AMD)
Signal Energy Detection
Tone Generation and Detection
T.30 Fax
Hardware Architecture
DSP Modules
The DSP Series 2 Plus card supports either one or two DSP modules. Each module consists of four DSP chips, for a total of either four or eight DSP chips per card. Each DSP chip has access to 512 timeslots of PCM. The 512 timeslots are arranged in two streams of 256 timeslots each. Each DSP is controlled through a host port interface mapped into the main boards memory space.
RAM, Flash Memory and Processor Speeds
The DSP Series 2 Plus card main board has 256 Mbyte of external synchronous SDRAM and 4 MBytes of Flash memory. It also has a 450 Mhz processor. The I/O processor runs at 100 Mhz.
Ethernet Functionality
The main board has the capability of providing the following six 10/100 Base-T Ethernet auto-negotiating signals to the ports on the Multi-Function Media I/O Plus card.
The processor provides two Ethernet control signals that are available for NFS, matrix connectivity, RTP and redundancy.
The internal Ethernet switch provides four Ethernet data signals that are disabled at this time and reserved for future use.
Placement
The DSP Series 2 Plus card resides in the front slot of the following CSP chassis:
CSP 2040
Two DSP Series 2 Plus cards can operate in an CSP 2040 chassis.
CSP 2090 and CSP 2110
Five DSP Series 2 Plus cards can operate in the CSP 2090 and CSP 2110 chassis.
The part number, serial number, model number, and revision number are located on the back of the card.
The DSP Series 2 Plus card is designed to the following electrical, physical, and environmental specifications.
|
Electrical |
Specification |
|---|---|
|
Supply Voltage, Vcc |
5.00V |
|
Supply Current, Vcc @ 5.0V |
5.5A (typical) |
|
Physical |
Specification |
|---|---|
|
Height |
9.3 inches (236.2 mm) |
|
Depth |
12.5 inches (317.5 mm) |
|
Width |
.775 inches (19.7 mm) |
|
Environmental |
Specification |
|---|---|
|
Temperature - Storage |
-40~C to 70~C (-40~F to 158~F) |
|
Temperature - Operation |
0~C to 50~C (32~F to 122~F) |
|
Temperature Shock - Storage |
-40~C to 70~C to -40~C (-40~F to 158~F to -40~F) at 5~C/min. |
|
Temperature Shock - Operation |
0~C to 50~C (32~F to 122~F) at 10~C/min. |
|
Humidity - Operating |
5% to 85% |
|
Altitude |
Up to 4000 meters (13.123 ft.) |
Power Requirements
|
Configuration |
Max. Current (Amps) at 5V |
Max. Power (Watts) |
|---|---|---|
|
DSP Series 2 Plus with one Module |
5.6 |
28.0 |
|
DSP Series 2 Plus with two Modules |
7.8 |
39.0 |
The DSP Series 2 Plus card model numbers are listed below.
|
Product |
Model No. |
RoHS Model No. |
|---|---|---|
|
DSP Series 2 Plus with (1) |
Not Applicable |
CSP-DSP-1410R |
|
DSP Series 2 Plus with (2) Modules |
Not Applicable |
CSP-DSP-1420R |
The products related to the DSP Series 2 Plus card are listed below.
|
Product |
Model No. |
RoHS Model No. |
|---|---|---|
|
Multi-Function Media I/O Plus card |
Not Applicable |
CSP-BIO-1400R |
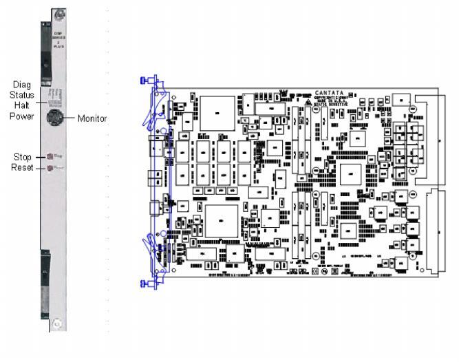
The front and side views show the LEDs, push button switches, Monitor connector, DIP switches, and jumpers.
The table below describes the LEDs and push button switches as shown in the front view of the DSP Series 2 Plus card.
Status Indicators
LED indicators reference standard CPU run/halt/reset statuses.
|
LED |
Color/Status |
Description |
|---|---|---|
|
Diag |
Off |
This LED is OFF except during a card reset, when this card flashes red briefly. |
|
Status |
Red |
The LED is red briefly during card reset. |
|
Green |
The card is connected to the system buses. |
|
|
Off |
The card is resetting. |
|
|
Halt |
Red |
The CPU has halted. This LED is red briefly during card reset. |
|
Green |
The CPU is running. |
|
|
Power |
Red |
The LED is red upon insertion |
|
Green |
The card is In Service. |
|
|
Off |
The card is Out Of Service. |
The jumper settings are factory set and should not be changed.
|
Jumper |
Setting |
Description |
|---|---|---|
|
JP3 |
Not Installed (default) |
Watch Dog Timer Enabled |
|
JP4 |
Not Installed (default) |
Factory use only |
|
JP5 |
Not Installed (default) |
Factory use only |
|
JP6 |
Not Installed (default) |
Factory use only |
|
JP7 |
Not Installed (default) |
Factory use only |
|
JP12 |
Installed |
Factory use only |
|
JP13 |
Installed |
Factory use only |
|
J6 |
Module 1* |
Factory use only |
|
J7 |
Module 2* |
Factory use only |
*Jumper on pins 1 and 2 indicates the module is not installed. Jumper on pins 2 and 3 indicates the module is installed.
The table below describes the DIP switch S1 settings. The shading (asterisk* for html documents) indicates factory-installed settings.
|
Position |
Setting |
Function |
|---|---|---|
|
1 |
ON* |
Disables Debug 1 Mode |
|
OFF |
Enables Debug 1 Mode ( printing) |
|
|
2 |
ON* |
Reserved, normally should be ON |
|
OFF |
Reserved |
|
|
3 |
ON* |
Disables Debug 2 Mode |
|
OFF |
Enables Debug 2 Mode |
|
|
4 |
ON* |
Reserved, normally should be ON |
|
OFF |
Reserved |
|
|
5 |
ON* |
Reserved, normally should be ON |
|
OFF |
Reserved |
|
|
6 |
ON* |
Reserved, normally should be ON |
|
OFF |
Reserved |
|
|
7 |
ON* |
Reserved, normally should be ON |
|
OFF |
Reserved |
|
|
8 |
ON* |
Reserved, normally should be ON |
|
OFF |
Reserved |